B L I T Z
 
Balanced Line Isolation Transformer (BLITZ Siamese Twin Transformer)
 
 
with new Dual Core winding technique.
DUAL CORE WINDING TECHNIQUE is one of the results of our determination to be the best source for audio transformer that continue to develop better and better products. Siamese transformer offers even better noise rejection than standard BLITZ and can be used as step-up or step-down universal input to output voltage (No need to buy any other isolation transformer again).
 


Blitz Siamese Twin Transformer
with Dual Core Winding Technique




Standard Blitz (no longer offered)


 
SACThailand recognizes the necessity of improving AC line filtering mechanism through the use of Line Isolation Transformer to help improve audio and visual performance to all systems.

Typical use of Isolation Transformer can offer interference, noise, hum and ground looping reduction to some degrees but most serious Tube-o-philes deny the use of such Line Isolation Transformer since it usually is the cause of analytical sounding, less dynamic, less ambience, lean sound and so on. These unwanted effects are usually associated only with poor design and making of Isolation Transformer; and not the technique of itself. The increasing of output impedance of typical Isolation Transformer as well as un-balanced AC current flow are main causes that make normal design not worth implementing.

 
  Figure 1: illustrates standard AC line voltage system. All sources of noise and interference from power line and nearby appliances will transfer to audio system degrading the sound and visual performance.  
 
  To exceed ordinary Isolation Transformer limitation, we make BLITZ to operating as true balanced Line Isolation device. Although Balance line transmission topology is new to home usage but it has long been standardized in recording studio and professional field where absolute noise, hum and interference reduction are priority issue. BLITZ completely isolates AC power line noise in your home from your precious audio system with special Electro static shield between primary and secondary winding; therefore, all type of noises are bypassed to ground. Only pure AC voltage is being transferred to power up your audio system. Further BLITZ has special balanced secondary winding that generates 110V-0-110V (in case of 220V system or 60-0-60V in case of 120V system) pure AC voltage instead of conventional 0-220V of typical unbalanced line isolation transformer. When transmitting balanced AC signal through power cord (three prongs), all type of common mode noises that usually take place in normal unbalanced transmission will be cancelled out leaving only pure AC voltage that will perfectly added up at IEG terminal of your audio equipment to equal to 220V. Ideally the need to add unnecessary peripheral like cheap noise filter, expensive plugs/connectors or over priced power cable can be overtaken once BLITZ is implemented.  
  Figure 2 : illustrates the use of typical line isolation transformer. While most noise, interference from power line and nearby appliances will be isolated from audio system; however, from point "C" to point "D" Noise and other interferences that induce in power cord can cause electrical pollution that still degrade sound performance.  
  Figure 3 : illustrates the use of Balance Line Isolation Transformer. 220VAC voltage is transmitted in 120-0-120V with respect to common ground. From point "C" any common mode noise and interference induce in balanced line transmission technique will be cancelled out at point "D" when two out-of phase signals are summed up. It is clearly seen that the implementation of BLITZ in your existing audio and AV system will suppress noise to absolute minimum like no other ordinary line isolation could.  
 
  BLITZ is also made with lowest output impedance obtainable although we only design the transformer to run at just moderate flux density (Flux density figure is highly classify) to reserve for transient current handling capability. The selection of the high silicon content steel core with more than 1.5 time the rated VA with the use of heaviest gauge copper wire combining with traditional perfect hand winding technique with ample insulation material are keys to increase reliability and lower output impedance to a fraction of an ohm. Many poor design Isolation Transformers on the market generate buzz sounding and vibrate violently when connect to load at just 1/3 its rated current. This is not a problem with BLITZ since we addressed the quietest operation to our top priority; therefore, BLITZ is treated with several vacuum impregnated procedures to ensure maximum dampening.

With Balanced Line Isolation Transformer with Zero Impedance (BLITZ), AC filtering mechanism has gone to the highest level of performance. Both AV system and Audio system can gain tremendous benefit in lowering noise & interference level as of recording studio and professional usage.

 
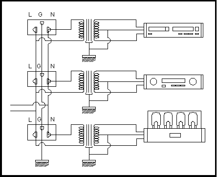
  Figure 5 : illustrate further enhancement in Isolation technique with the use of multiple BLITZ. In that case we recommend 3 transformers topology; two BLITZ 0.5 rated 500VA for using with front end digital equipment like CD, DVD or SACD, and pre-amplifier. The other BLITZ 1.0 rated at 1.0~2.0KVA is used for integrated amplifier or power amplifier. With this implementation, digital noise is completely isolated and cancelled out between each stage delivering ultimate noise free AC line voltage.  
 
Figure 6 : illustrates the simple implementation of BLITZ in new design enclosure without any noise filter.
We use special "Pirelli" Gasoline & Oil Resistance hookup wiring internally.
 
 
 

New 2025 BLITZ is configurable to any input (110V or 220V) and output voltage (110V or 220V): So there is no need to buy step-up or step down line isolation transformer anymore. Also 100V Japanese version can be custom made. 

 
 
Model
Power Rating VA*
Price for transformer only
BLITZ 1.0
1000VA
24,000THB
BLITZ 1.5
1500VA
33,000THB
BLITZ 2.0
2000VA
40,000THB
 
 

* Maximum transient power handling capability is usually 1.5 to 2 times the VA rating.

 

 

Case Dimension: 24 x 31 x 19 cm (W x D x H)